欢迎来到河北桥星减速机制造有限公司网站!
0317-7343606
查看分类
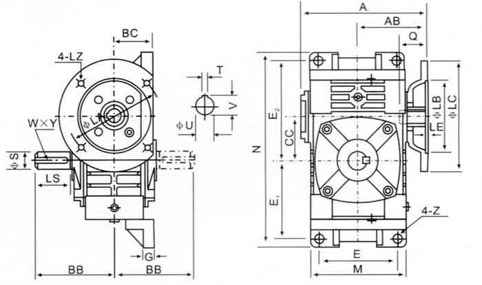
WPWDO型蜗轮蜗杆减速机的安装方法
正确的安装,使用和维护减速器,是保证机械设备正常运行的重要环节。 因此,在您安装减速器时,请务必严格按照下面的安装使用相关事项,认真地装配和使用。
第一步是安装前确认电机和减速器是否完好无损,并且严格检查电机与减速器相连接的各部位尺寸是否匹配,这里是电机的定位凸台、输入轴与减速器凹槽等尺寸及配合公差。
第二步是旋下减速器法兰外侧防尘孔上的螺钉,调整夹紧环使其侧孔与防尘孔对齐,插入内六角旋紧。之后,取走电机轴键。
第三步是将电机与减速器自然连接。连接时必须保证减速器输出轴与电机输入轴同心度一致,且二者外侧法兰平行。如同心度不一致,会导致电机轴折断或减速机齿轮磨损。



上一条:陕西WPWDK型蜗轮蜗杆减速机
下一条:陕西WPWDS型蜗轮蜗杆减速机
扫一扫手机网站
在线客服
0317-7343606
1402381865@qq.com
QQ交谈